Fregadero Rodi Box Lux 46 R12
Este magnífico fregadero de un seno de estilo minimalista y líneas rectas, pertenece a la familia Box Lux con cubetas de radio 12, diseñado para instalaciones sobre encimera o enrasado. Su agradable carácter le cautivará y trasladará a un mundo extraordinario de buen gusto y perfección. Los fregaderos Rodi BOX LUX ensalzarán cualquier cocina con su glamuroso estilo.
Acero 18/10 de alta calidad
Los fregaderos de acero Inoxidable RODI, utilizan exclusivamente el acero inoxidable 18/10 como materia prima para la fabricación de toda la gama de fregaderos. Entre otras características este tipo de acero se distingue por:
- Elevada protección a la oxidación.
- Higiene y durabilidad.
- Resistencia a elevadas temperaturas.
- 2 senos de gran capacidad.
- Facilidad de limpieza.
Fregadero de alta gama
El acabado en acero INOX SATINADO. Un acabado de alta gama utilizado en todas las series RODI ELITE: INVICTUS, VISION, INVISIBLE, XERON, EVO, LUX GLASS, FUSION, LUX STEP, BOX LUX y BOX LINE.

Opciones de montaje
Fregadero de acero inoxidable para montaje sobre encimera e integrado en la encimera:
Sobre encimera
Integrado en la encimera
Garantia RODI
Los fregaderos de acero Inoxidable RODI, están garantizados por 15 años contra cualquier defecto de fabricación, mediante la adopción de buenas prácticas de manutención y limpieza básica..
Modelo: Rodi Elite - Box Lux 46
Referencias:
-08N1L310843A2 (SOBRE encimera e INTEGRADO en encimera)
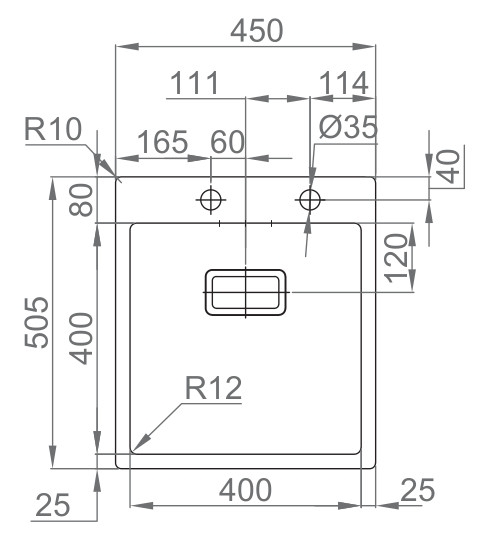
Medidas exteriores del fregadero: 450 x 505mm
Medidas de la cubeta: 400 x 400
Profundidad: 200mm
Radio: 12mm
Para muebles mínimo de: 50cm
Medidas:

Medidas Fregadero Rodi Box Lux 46
Medidas de corte:

Medida de corte Rodi BOX LUX 46 SOBRE encimera

Medida de corte Rodi BOX LUX 46 INTEGRADO encimera
NOTA: Se recomienda no realizar el hueco de la encimera hasta no disponer del fregadero físicamente.
Incluye:
Sifón/Válvula AUTOMÁTICA FIRST 0212246S

Información adicional
| Tamaño del mueble | Mueble de 50 cm. |
|---|---|
| Video | No |
| Video | N/D |